ÖzellikDeğer
Isı transfer kapasitesi25 - 65 kW
Maksimum çalışma basıncı16 bar
Maksimum çalışma sıcaklığı90 °C
Minimum çalışma basıncı2 bar
Boru çapıØ18 mm
Bağlantı çapıG 3/4"

•Merkezi sistemle ısınan-soğutulan konutlarda anlık kullanım sıcak suyu üretimi ve ısıtma hattının balanslanmasıiçin kullanılır.

•Isınma hattı hattıdışında herhangi bir enerjiye ihtiyaç duyulmaz.

•Paslanmaz çelikten yapılmış AISI 316 kalite plakalı ısı eşanjörüve paslanmaz çelikten yapılmış AISI 316 kalite borular sistemde pas (korozyon) oluşumunu önler.

•Kompakt yapısı ile kolay kurulum ve işletilmesini sağlar.

•Isı sayacı ve su sayacı sayesinde tüketilen ısı enerjisinin ve suyun ölçümünü yapar.

•Elektrik ya da gaz bağlantısı yoktur. %100 güvenlidir.

PERFORMANS ÇİZELGESİ

Isı Transfer Kapasitesi (kW)Debi (l/dk)10°C Giriş (Çıkış °C)65°C Giriş (Çıkış °C)80°C Giriş (Çıkış °C)
2510,34524,119,0
2595028,721,6
3313,54524,619,4
33125029,322,0
36154524,419,2
36135028,921,8
4518,44525,620,2
4516,15030,322,9
5020,64525,520,2
50185030,222,9
5422,14525,019,8
5419,45029,622,4
6024,64524,319,2
6021,55029,422,2
6526,64525,019,8
6523,35029,622,4

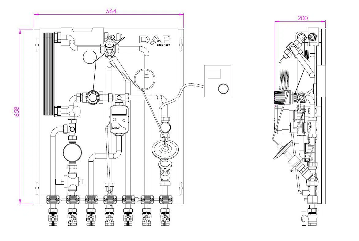
Yapısı ve İçeriğiİ

1.Plakalı Eşanjör,
4.Zonventili,
5.Fark basınç kontrol cihazı,
6.Kullanım suyu limitleme vanası
7.5 yollu dağıtıcı,
15.Fark basınç kontrol cihazı (soğutma)
19.Tepki süresi hızlandırıcı

Opsiyonel Modüller

Isı sayacı
Su sayacı
Oda termostatı
Basınç regülatörü

Comfort Type Compatible Modules

Re-sirkülasyon modülü
Yerden ısıtma modülü

1.Plakalı Eşanjör,
3.Termostatiksıcaklık kontrolü
4.Zonventili
5. Fark basınç kontrol cihazı,
6. Kullanım suyu limitleme vanası
7. 5 yollu dağıtıcı

8. Su sayacı
9. Isı sayacı
10. Basınç düzenleyici
11.Termostatik kontrollü by-passhattı
12. Termal aktuator
13. Oda termostatı
19. Tepki süresi hızlandırıcı

Standart ürün

Opsiyonel modüllerle birlike