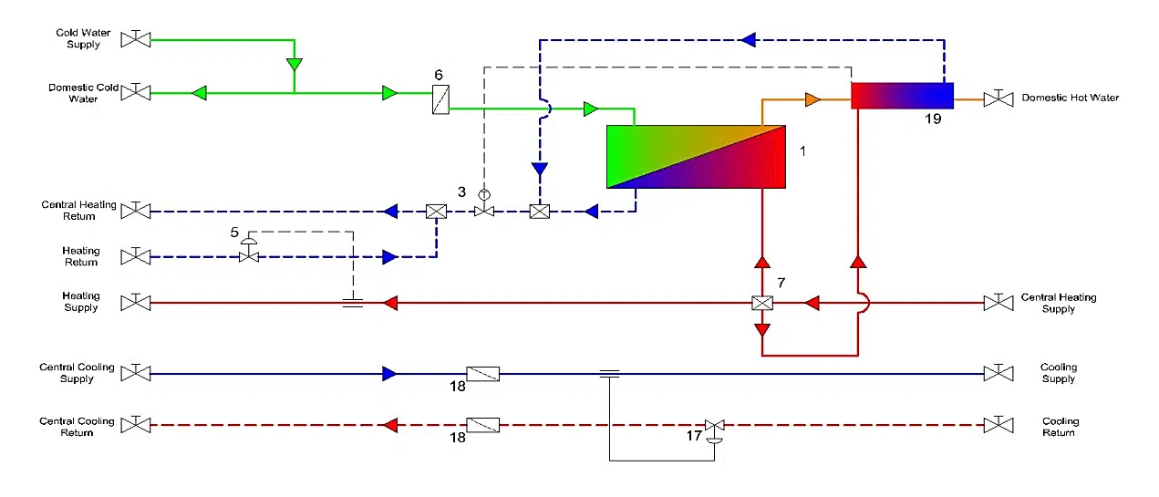
•Merkezi sistemle ısınan-soğutulan konutlarda anlık kullanım sıcak suyu üretimi ve ısıtma hattının balanslanmasıiçin kullanılır.
•Isınma hattı hattıdışında herhangi bir enerjiye ihtiyaç duyulmaz.
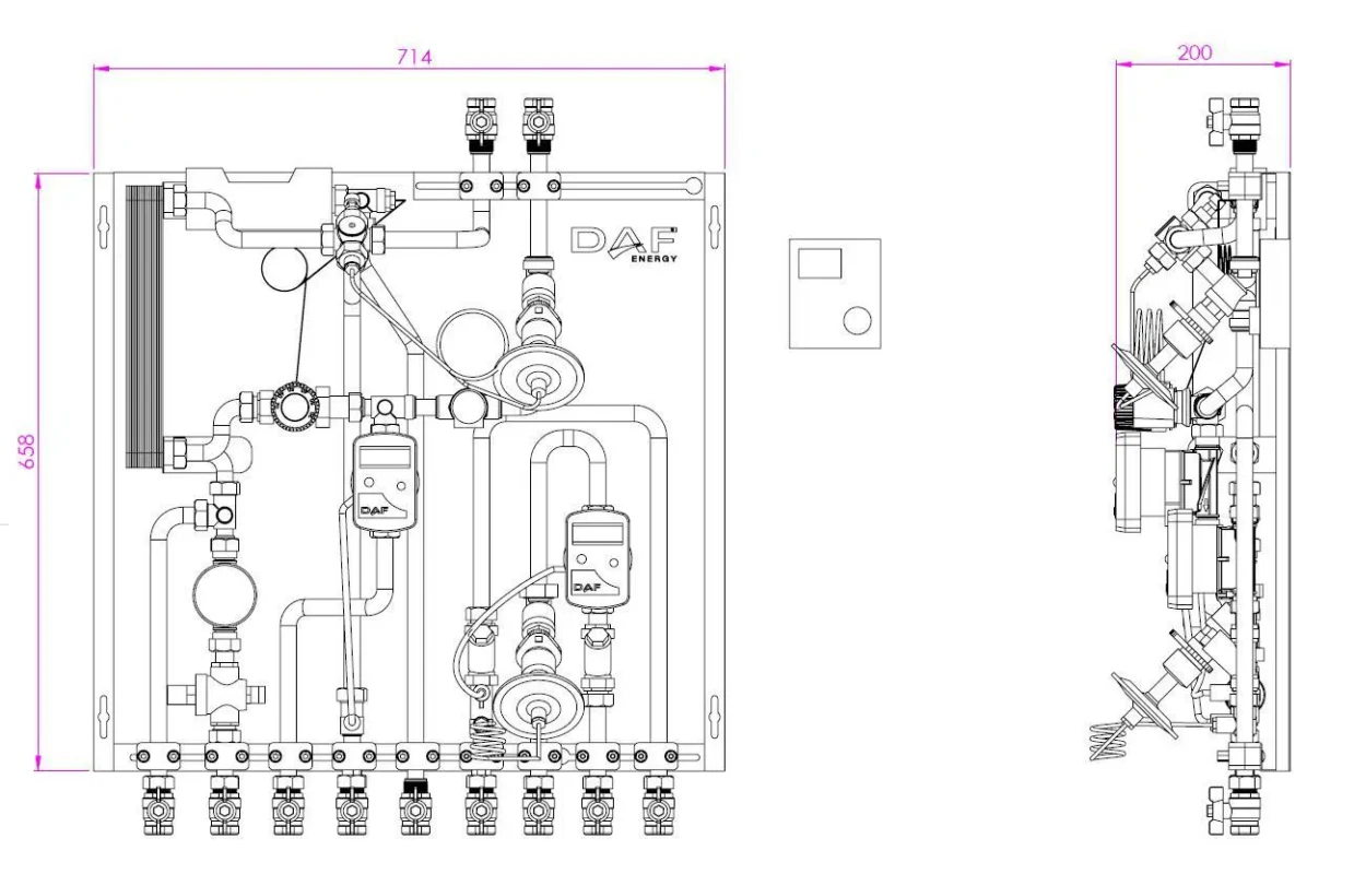
•Paslanmaz çelikten yapılmış AISI 316 kalite plakalı ısı eşanjörüve paslanmaz çelikten yapılmış AISI 316 kalite borular sistemde pas (korozyon) oluşumunu önler.
•Kompakt yapısı ile kolay kurulum ve işletilmesini sağlar.
•Isı sayacı ve su sayacı sayesinde tüketilen ısı enerjisinin ve suyun ölçümünü yapar.
•Elektrik ya da gaz bağlantısı yoktur. %100 güvenlidir.
•Yüksek enerji verimi sağlar.