| Özellik | Değer |
|---|---|
| Isı transfer kapasitesi | 25 - 65 kW |
| Maksimum çalışma basıncı | 16 bar |
| Maksimum çalışma sıcaklığı | 90 °C |
| Minimum çalışma basıncı | 2 bar |
| Boru çapı | Ø18 mm |
| Bağlantı çapı | G 3/4" |
•Merkezi sistemle ısınan-soğutulan konutlarda anlık kullanım sıcak suyu üretimi ve ısıtma –soğutma hatlarının balanslanmasıiçin kullanılır.
•Isınma hattı ve/veya soğutma hattı dışında herhangi bir enerjiye ihtiyaç duyulmaz.
•Paslanmaz çelikten yapılmış AISI 316 kalite plakalı ısı eşanjörüve paslanmaz çelikten yapılmış AISI 316 kalite borular sistemde pas (korozyon) oluşumunu önler.
•Kompakt yapısı ile kolay kurulum ve işletilmesini sağlar.
•Isı sayacı ve su sayacı sayesinde tüketilen ısı enerjisinin ve suyun ölçümünü yapar.
•Elektrik ya da gaz bağlantısı yoktur. %100 güvenlidir.
PERFORMANS ÇİZELGESİ
| Isı Transfer Kapasitesi (kW) | Debi (l/dk) | 10°C Giriş → Çıkış (°C) | 65°C Giriş → Çıkış (°C) | 80°C Giriş → Çıkış (°C) |
|---|---|---|---|---|
| 25 | 10,3 | 45 | 24,1 | 19,0 |
| 25 | 9 | 50 | 28,7 | 21,6 |
| 33 | 13,5 | 45 | 24,6 | 19,4 |
| 33 | 12 | 50 | 29,3 | 22,0 |
| 36 | 15 | 45 | 24,4 | 19,2 |
| 36 | 13 | 50 | 28,9 | 21,8 |
| 45 | 18,4 | 45 | 25,6 | 20,2 |
| 45 | 16,1 | 50 | 30,3 | 22,9 |
| 50 | 20,6 | 45 | 25,5 | 20,2 |
| 50 | 18 | 50 | 30,2 | 22,9 |
| 54 | 22,1 | 45 | 25,0 | 19,8 |
| 54 | 19,4 | 50 | 29,6 | 22,4 |
| 60 | 24,6 | 45 | 24,3 | 19,2 |
| 60 | 21,5 | 50 | 29,4 | 22,2 |
| 65 | 26,6 | 45 | 25,0 | 19,8 |
| 65 | 23,3 | 50 | 29,6 | 22,4 |
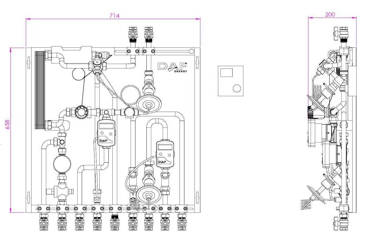
Yapısı ve İçeriği
1.Plakalı Eşanjör,
2.DF Regülatör,
4.Zonventili,
5.Fark basınç kontrolörü,
6.Kullanım suyu limitleme valfi,
7.5 yollu dağıtıcı,
15.Fark basınç kontrol cihazı (soğutma)
18.Dağıtıcı (soğutma)
OpsiyonelModüller
Termostatikkontrollü by-passhattı
Isı sayacı
Su sayacı
Oda termostatı
Basınç regülatörü
Uyumlu Moduller
Re-sirkülasyon modülü
Yerden ısıtma modülü
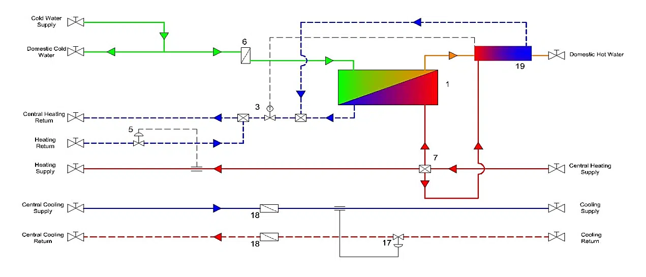
1.Plakalı Eşanjör,
2.DF Regülatörü,
3. Termostatiksıcaklık kontorolü
4.Zonventili,
5.Fark basınç kontrol cihazı,
6.Kullanım suyu limitleme vanası,
7.5 yollu dağıtıcı,
8.Su sayacı,
10.Basınç düzeltici,
11.Termostatikkontrollü by-passhattı,
12.Termal aktuator,
13.Oda termostatı,
15.Fark basınç kontrol cihazı (soğutma),
16.Isı Sayacı
18.Dağıtıcı (soğutma)
Standart ürün
Opsiyonel modüllerle birlike